当前位置:>产品展示
电能质量产品及解决方案为不同供电场合、工业生产环境优化电能质量及智慧管理电能,提高电力能源的使用效率。
概述
SDBKSVG静止型无功发生器(简称SVG)是用自换相的电力半导体式变流器来进行动态无功补偿的装置,与以TCR型为代表的SVC装置相比,SVG的调节速度更快,运行范围宽,而且在采取多重化,多电平或脉冲调制技术等措施后可大大减少补偿电流中的谐波含量。更重要的是SVG使用的电抗器和电容器元件比SVC中使用的要小,这将大大缩小装置的体积和成本。
工作原理
静止型无功发生器是一种新型的无功补偿装置,是无功补偿领域新技术应用代表。它并联于电网中,相当于一个可变的无功电流源,通过调节逆变器交流侧输出电压的幅值和相位,或者直接控制其交流侧电流的幅值和相位,迅速吸收或发出需要的无功功率,实现快速动态调节无功的目的。当采用直接电流控制时,直接对交流侧电流进行控制,不仅可以跟踪补偿冲击性负载的冲击电流,而且可以对谐波电流也进行跟踪补偿。

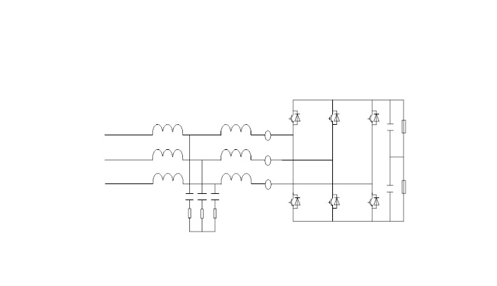
主电路拓结构
◆低压静止型无功发生器核心拓扑结构为典型的两电平三相桥式电压源型逆变器结构
◆功率器件采用进口IGBT,为原装进口产品
◆功率器件散热器采用强迫风冷
◆电抗器特殊设计,采用进口材料绕制
◆控制器采用DSP控制技术,FPGA现场可编程等新控制平台

技术特点
◆动态性能好,可实现全程功率因数为1
◆大屏幕LCD,具有实时显示各电气参数、报警显示记录、设备设置等参数功能
◆功耗低,节能效果显著
◆可自动跟踪负荷的变化,平滑无极输出系统无功需求的容性或感性电流
◆可以轻松实现动态分相补偿
◆在系统谐波大的环境下,可安全正常运行
◆谐波动态补偿,改善电能质量的功能
技术参数
电网电压 | 400/690V,±15%,50Hz |
功率因数 | 大于0.95 |
谐波 | 满足电能质量公用电网谐波标准GB/T14549-93 |
响应时间 | 小于5ms |
防护等级 | IP20 |
高压隔离 | 光纤信号传输 |
保护功能 | 过压、过流、缺相、超温、控制电源故障等 |
功率半导体 | 进口IGBT |
控制方式 | PWM电流跟踪控制技术、直接电流闭环控制 |
控制芯片 | 采用数字信号处理器DSP |
控制功能 | 无功补偿、谐波补偿、负序补偿、综合补偿 |
通讯 | Modbus协议 |
适用场所 | 室内、无爆炸性或腐蚀性气体 |
环境温度 | 0∽+40℃ |
环境湿度 | 小于90%(无凝露) |
海拔高度 | 1500米以下,超过可咨询我公司 |
规格型号
型号 | 电压(V) | 补偿容量(kvar) | 相数 | 宽(W) | 深(D) | 高(H) |
SDBKSVG-100-400 | 400 | 100 | 3/4 | 600 | 600 | 2200 |
SDBKSVG-150-400 | 400 | 150 | 3/4 | 600 | 600 | 2200 |
SDBKSVG-200-400 | 400 | 200 | 3/4 | 800 | 800 | 2200 |
SDBKSVG-250-400 | 400 | 250 | 3/4 | 800 | 800 | 2200 |
SDBKSVG-300-400 | 400 | 300 | 3/4 | 1000 | 1000 | 2200 |
SDBKSVG-350-400 | 400 | 350 | 3/4 | 1000 | 1000 | 2200 |
SDBKSVG-400-400 | 400 | 400 | 3/4 | 1000 | 1000 | 2200 |
SDBKSVG-450-400 | 400 | 450 | 3/4 | 1000 | 1000 | 2200 |
SDBKSVG-500-400 | 400 | 500 | 3/4 | 1000 | 1000 | 2200 |